滑动了解更多 
常规型呼吸阀(单吸阀、单呼阀、阻火呼吸阀)
材质:FRPP、PP、PPH、UPVC、CPVC、PVDF。

产品概述:
塑料呼吸阀是解决和维护罐内气体正压、负压的平衡,减少介质挥发的产品,呼吸阀充分利用储罐本身的承压能力来减少介质排放,呼吸阀具有泄放正压和负压两方面的功能。
具体说明:当储罐进料承受正压时,呼吸阀自动打开呼出气体泄放正压当储罐放料产生负压时,阻火呼吸阀自动打开吸入气体,泄放负压,如停止工作时呼吸阀会自动关闭,不会把罐内气体往外泄漏,使罐内的液体质量得到了有利的保障,既安全又环保。
主要特点:
本呼吸阀具有通风量大,密封性能好泄露量小,耐腐蚀等特点。

主要技术参数:
操作压力:A级正压:355P(36毫米水柱);
负压:295Pa(30 毫米水柱);
B 级正压:980Pa(100 毫米水柱);
负压:295Pa(30 毫米水柱);
C级正压:1765Pa(180 毫米水柱);
负压:295Pa(30 毫米水柱);
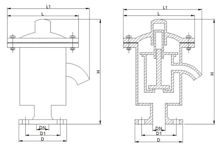
尺寸表:
| DN | 15 | 20 | 25 | 32 | 40 | 50 | 65 | 80 | 100 | 125 | 150 | 200 |
| D | 95 | 105 | 115 | 135 | 145 | 160 | 180 | 195 | 215 | 245 | 280 | 335 |
| D1 | 65 | 75 | 85 | 100 | 110 | 125 | 145 | 160 | 180 | 210 | 240 | 295 |
| L | 155 | 155 | 162 | 162 | 202 | 202 | 232 | 232 | 252 | 300 | 310 | 400 |
| L1 | 185 | 185 | 190 | 190 | 250 | 260 | 280 | 300 | 320 | 400 | 420 | 520 |
| H | 250 | 260 | 270 | 320 | 340 | 350 | 380 | 390 | 410 | 480 | 530 | 570 |