滑动了解更多 
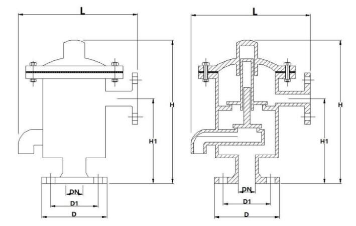
带呼出接管(阻火)呼吸阀、单接管呼吸阀、单呼阀
材质:FRPP、PP、PPH、UPVC、CPVC、PVDF

主要特点:
本呼吸阀带有呼出气体接管法兰和防负压空气进口装置,可与装有吸风机的管道连接,或带有负压的管道连接,吸收储罐内排放的有毒,有害气体,致中和灌或其他三废处理装置进行处置,起到了安全环保作用。

主要技术参数:
操作压力:
A级正压:355P(36毫米水柱);
负压:295Pa(30毫米水柱);
B 级正压:980Pa(100 毫米水柱);
负压:295Pa(30 毫米水柱);
C级正压:1765Pa(180毫米水柱);
负压:295Pa(30毫米水柱);
尺寸表:
| DN | 25 | 32 | 40 | 50 | 65 | 80 | 100 | 125 | 150 | 200 |
| D | 115 | 135 | 145 | 160 | 180 | 195 | 215 | 245 | 280 | 335 |
| D1 | 85 | 100 | 110 | 125 | 145 | 160 | 180 | 210 | 240 | 295 |
| L | 240 | 280 | 290 | 330 | 330 | 360 | 380 | 480 | 510 | 640 |
| L1 | 320 | 320 | 390 | 430 | 450 | 470 | 480 | 500 | 530 | 700 |
| H | 210 | 210 | 250 | 270 | 280 | 300 | 310 | 380 | 410 | 500 |