滑动了解更多 


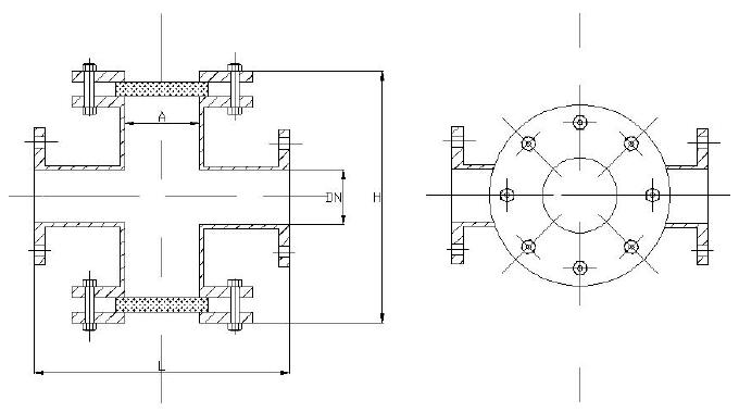
| DN | A | L | H |
| 25 | 25 | 190 | 180 |
| 32 | 32 | 210 | 190 |
| 40 | 40 | 230 | 220 |
| 50 | 50 | 260 | 240 |
| 65 | 65 | 280 | 260 |
| 80 | 80 | 320 | 300 |
| 100 | 100 | 350 | 320 |
| 150 | 150 | 500 | 480 |
| 200 | 200 | 560 | 540 |

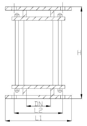
| DN | L1 | L2 | H |
| 15 | 176 | ||
| 20 | 174 | ||
| 25 | 85 | 115 | 218 |
| 32 | 100 | 135 | 218 |
| 40 | 110 | 145 | 220 |
| 50 | 125 | 160 | 220 |
| 65 | 145 | 180 | 240 |
| 80 | 160 | 195 | 238 |
| 100 | 180 | 215 | 274 |
| 125 | 210 | 245 | 375 |
| 150 | 240 | 280 | 390 |
| 200 | 295 | 335 | 420 |